Mounting Instructions
Caution
Never use straps to secure the unit.
Place the unit as far a possible from metallic objects that could bock radio waves.
Using the Magnetic Pads
To mount the unit on a rooftop using its magnetic pads, follow the steps below:
Thoroughly clean and dry the mounting surface to remove dust, water, condensation, or viscous liquid, such as oil.
Make sure that the magnetic pads are clean, dry and undamaged.
Place the antenna horizontally on the dry and clean surface.
Caution
Prior to moving the vehicle, make sure to remove the unit from the rooftop.
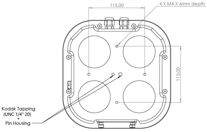
Using the Kodak Tapping
To mount the unit on a standard tripod, a mast or a magic arm, screw a 1/4-20 threaded post into the anti-rotation 1/4-20 threaded mount. See the specification images below.
Using the Four M4 Internal Threads
To mount the unit on a plate or a chassis, see mechanical specifications below:



Multiple QuadCellLink
You can place several Quad CellLink on a vehicle roof.
To avoid RF coupling:
Place units at least 20 cm (8”) away from each other (border to border).
Do not stack the units.