Adaptation Plate
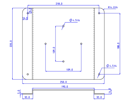
This plate is required to mount the Quad Antenna on a mechanical assembly or a roof top permanently and without the magnetic pads. The following plan can be used as a reference for a special adaptation (values are in mm).

This plate is required to mount the Quad Antenna on a mechanical assembly or a roof top permanently and without the magnetic pads. The following plan can be used as a reference for a special adaptation (values are in mm).
